欢迎访问kaiyun体育官方网站登录网页入口网站
全国免费服务热线: 0577-67957398
联系我们
手机:13634225661 (程经理)
手机:13968959612(程总)
电话:0577-67957398
传真:0577-21814118
Q Q:1027036708
地址:浙江省永嘉县瓯北镇安丰工业区舟山路
当前位置:首页 > 常见问题

双层卸灰阀的使用说明介绍

作者:双层卸灰阀厂家  来源:  更新时间:2024/2/26 10:26:23  点击次数:

双层卸灰阀是一种常见的工业阀门,广泛应用于各种粉体和颗粒物料的输送、储运和卸料过程中。它具有高效、稳定、安全可靠的特点,能够有效地防止粉尘泄漏和环境污染。为了确保双层卸灰阀的正常使用和延长其使用寿命,我们需要了解其正确的使用方法和注意事项。


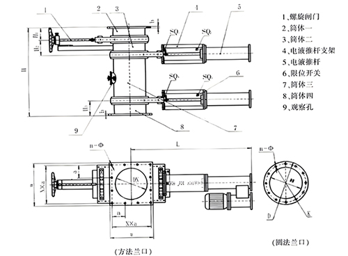
一、双层卸灰阀的结构和工作原理


双层卸灰阀主要由阀体、阀板、驱动装置和密封装置等部分组成。其工作原理是通过驱动装置带动阀板转动,实现物料在两个仓之间的切换或全部排出。双层卸灰阀具有结构简单、操作方便、密封性能好等特点。


双层卸灰阀结构图


二、双层卸灰阀的安装和调试


1. 安装前应检查双层卸灰阀的各部件是否完好无损,特别是密封件和转动部位是否灵活可靠。

2. 根据实际需求和现场情况,确定双层卸灰阀的安装位置和方向,确保其正常工作并方便操作和维护。

3. 安装时需确保阀体与管道连接的密封性,防止粉尘泄漏。

4. 安装完成后,应对双层卸灰阀进行调试,确保其工作正常并符合工艺要求。


三、双层卸灰阀的操作和维护


1. 操作前应熟悉双层卸灰阀的结构和工作原理,严格按照操作规程进行操作。

2. 在操作过程中,应经常检查密封件和转动部位是否正常,如有异常应及时处理。

3. 定期对双层卸灰阀进行清理和维护,保持其良好的工作状态和外观。

4. 对于长期不使用的双层卸灰阀,应定期进行手动或自动操作,以防止密封件老化或卡死。



双层卸灰阀


四、双层卸灰阀的常见故障及处理方法


1. 密封泄漏:检查密封件是否老化或损坏,如有问题应及时更换。

2. 阀板卡死:应定期对阀板进行润滑和维护,确保其转动灵活。

3. 驱动装置故障:检查驱动装置是否正常工作,如有异常应及时维修或更换。

4. 管道堵塞:定期对管道进行清理和维护,防止物料结块或沉积。


总之,双层卸灰阀作为一种重要的工业阀门,其正确的使用方法和维护保养至关重要。只有在使用过程中注意细节、及时维护,才能确保其高效稳定地运行,为企业创造更大的价值。

本文链接://m.256xm.com/news/news2024226505.html
上一篇:双层卸灰阀是怎样工作的?
下一篇:双层卸灰阀的原理结构及安装注意事项

相关文章

双层卸灰阀的日常维护措施-2024-11-14
双层卸灰阀的结构原理、使用准备及注意事项-2024-11-13
配水闸阀的相关知识大全-2024-11-04
配水闸阀的概念分类、选型原则及安装调试-2024-10-30
双层卸灰阀的干货内容介绍-2024-10-25
双层卸灰阀的结构特点、工作原理及应用选型-2024-09-21
双层卸灰阀的原理特点、应用及维护保养-2024-09-04
双层卸灰阀的结构原理及维护保养-2024-08-16
双层卸灰阀的结构设计、工作原理及材料选择等方面介绍-2024-08-13
双层卸灰阀的设计、工作原理及流程介绍-2024-08-12
双层卸灰阀的原理特点及优势等方便介绍-2024-08-06
双层卸灰阀的相关概述-2024-07-18
双层卸灰阀的结构原理及应用发展-2024-07-12
双层卸灰阀的安装与工作原理等介绍-2024-07-02
双层卸灰阀的结构原理及优势介绍-2024-06-29
联系我们
  • 手机:13634225661(程经理) 13968959612(程总)
  • 电话:0577-67957398
  • 传真:0577-21814118
  • QQ:1027036708
  • 网址://m.256xm.com
  • 地址:浙江省永嘉县瓯北镇安丰工业区舟山路
关注我们
版权所有 2023 kaiyun体育官方网站登录网页入口浙ICP备15022013号-3   浙公网安备 33032402001884号   技术支持:云鼎科技
在线客服系统
返回
上页
Baidu
map